1
/
of
3
TVT America
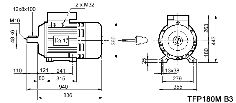
TFP180M/2
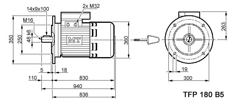
TFP180M/2
Regular price
$6,535.00 USD
Regular price
$13,070.00 USD
Sale price
$6,535.00 USD
Unit price
/
per
Shipping calculated at checkout.
Couldn't load pickup availability
MT TFP Series High Performance 3phase AC Brake motor | |||
IEC 180M 2pole 22Kw 230∆/400Y Volts/50hz, 277∆/480Y Volts 60Hz 1.2 Service factor | |||
Ingress Protection 5 Dust, 4 Solids, Class F Insulation, S1 Continuous Duty | |||
PTC Thermistor thermal protectors in stator windings. 3ph AC brake Standard 230∆/400Y-Volts 50Hz, 277∆/480 Volts 60Hz. 24Vdc & 103Vdc brakes optional. |
|||
Die-cast Aluminum Housing Polyester Epoxy Painted RAL 9006 White Aluminum for superior corrosion protection. | |||
Pressed Steel brake Cover Polyester Epoxy Painted RAL 5010 TVT Blue. | |||
Double Terminal Box, rotatable at 90º intervals, for convenient wiring and Protection IP56 | |||
UL/CSA/CE listed, ATEX Ex 2-22 3G/3D certified. | |||
"Made in Italy… Loved in America"® |
WIRING DIAGRAM for Motor & Brake type TFP. Opens in new window (.pdf)
Share




